新能源汽车市场进入深水区,车载充电机(OBC)正经历从"功能部件"到"智慧能源节点"的颠覆式革命。高功率密度、低能耗与800V平台、V2L/V2G双向交互——这些趋势对功率器件提出了前所未有的挑战。瑶芯凭借在功率半导体领域的深度布局,率先推出全栈式功率器件解决方案,重新定义OBC的功率密度与能效标杆。

图1. OBC关键技术演进与趋势
OBC 的关键技术演进可从四大维度进行概括
功率器件技术迈入宽禁带时代
随着汽车电池电压朝着800V的快速迈进,同时伴随着 SiC MOSFET等宽禁带器件的高速普及,OBC性能获得跨代提升。它们在高频、高压、高温场景中具备远优于硅器件的表现,使系统效率轻松突破 96%,并助力整机功率密度达到甚至超过4kW/L大关。高性能器件成为 OBC 高功率密度化、轻量化与紧凑设计的核心驱动力。
封装工艺向高功率密度、低热阻方向跃迁
在封装形态上,OBC 功率器件正经历明显的结构升级:
插件式(Through-Hole):早期方案中常见,安装稳固但损耗高、体积大、不利于EMI与高密度集成;
贴片式(SMD):实现更紧凑的布局与更低寄生参数,成为当前主流;
顶部散热封装(Top-side cooling):顺应 800V 与大功率 OBC 的趋势,通过显著降低热阻、提升热循环寿命,使模块在极小体积下承载更高功率,成为未来高端平台的重点方向。
封装演进与器件性能升级相辅相成,共同支撑 OBC 系统向更高功率密度与更高效率迈进。
功能从单向充电扩展到双向能源节点
OBC 不再仅是“把 AC 充进电池”的装置,而是逐渐成为车辆的双向能源端口。功能已由单向充电扩展至 V2G(车电互馈)、V2L(对外供电)、V2H(家庭用电) 等多场景应用;未来,它还将深度接入整车域控制,实现车辆能源调度、热管理及负载管理的智能一体化。
系统架构持续向更高集成度演变
OBC 方案正经历从早期的“两级结构(AC/DC + DC/DC)”向更高效的“单级拓扑”转型,并进一步朝着“深度集成”(OBC和小功率DC-DC共用变压器、功率桥、MCU)的方向发展。集成化设计可有效缩短线束长度、减少元器件数量,实现体积缩减30%-50%、重量降低20%的技术效果,同时提升系统转换效率与运行可靠性。
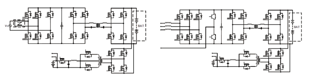
瑶芯优势:器件矩阵齐全+性能全面领先

图2. OBC+DC/DC常用拓扑结构系统
从OBC前端的PFC,到核心的CLLC/DAB隔离变换,再到HV-LV DC/DC中后端SR和ORing,瑶芯提供IGBT+ Si FRD单管、IGBT+JBS混管、SiC MOS、SGT MOS,为客户提供真正意义上的全栈级功率器件平台。
零缺陷工程:严苛的质量管控
在车载 OBC 对安全性与可靠性提出极高要求的背景下,瑶芯依托严苛的车规质量体系构建了完善的零缺陷管理流程(Zero Defect AEC-Q004)。从设计源头到量产闭环,每一环都遵循体系化的质量控制逻辑:
-
产品设计阶段:基于仿真与建模进行结构、电气、热等多维度验证,以稳健性设计为指导原则,严格执行 DFMEA,确保潜在失效在量产前被系统识别并规避。
-
制造阶段:晶圆制造与封装工厂均符合 ISO9001/IATF16949 质量体系要求,并具备 VDA6.3 客审能力。通过过程审核与安全量产机制,确保工艺稳定性与一致性。
-
测试阶段:全流程覆盖 CP、FT 等测试项目,以车规标准的统计流程能力(SPC)为基础,确保出货一致性与失效可追溯性。
-
环境与应力验证:产品需通过 Extended Reliability、ORT(Ongoing Reliability Test)等强化测试,覆盖温度、湿度、电气应力等多场景,确保在整车复杂环节中的长期可靠性。
-
持续改善机制:针对晶圆与封测环节建立实时缺陷监控系统,同时对所有关键工序执行变更受控,确保产品全生命周期的稳健性。
-
快速问题解决能力:采用系统化问题分析与失效机制解析方法,建立快速响应机制,确保客户现场问题能够闭环解决。
依托以上六大质量体系能力,瑶芯所有车规级产品均满足 AEC-Q100/Q101/Q104/Q006 标准要求,并提供完整 PPAP 支持,实现真正意义上的“车规级可靠性”保障,为包括 OBC 在内的新能源车核心系统提供可靠芯片基石。
从器件到系统与客户的深度协同
瑶芯通过全栈功率器件布局,向客户提供从前端 AC-DC 到后端 HV-LV DC-DC 的完整 OBC 平台级解决方案,为客户提供"Solution Selling"支撑体系:
-
OBC/DC-DC器件匹配方案建议(Si/SiC/SJ/IGBT)及应用建议
-
精确的Spice Model及六阶热阻模型
-
全链路应用参考设计
-
EMI 抑制与开关噪声经验
-
现场技术支持

图3. AKG10N015TBM-A的Spice Model拟合
成功案例
通过与与某头部OBC厂商深度合作开发的6.6kW双向SiC方案,仅用半年完成从器件选型到DV,功率密度达105W/in³,效率>97%,成为2025年高端车型新标杆。


图4. 为客户提供器件参数测试
定义OBC的下一个十年
OBC的技术革命远未结束——更高效、更紧凑、更可靠的优化正在路上。让高端技术普惠新能源汽车产业。
OBC功率器件选型或方案优化需求,欢迎随时与我们联系!












